Installation and application 1. The adjustment pipe joint is a new type of pipe connection element installed on the intake and exhaust ports of the cylinder to control the flow of intake and exhaust. It is easy to make micro-adjustment in the low flow area, so that the cylinder can reach the ideal running speed, and the maximum working pressure is 1.0MPa. 2. 1. It is suitable for connecting hard nylon pipes and plastic pipes. After cutting, deburring and inserting into the interface (must be ins
安装及应用
一、调整管接头是安装在气缸进排气口上,控制进排气流量的新型管路连接元件。它容易在低流量区域进行微调节,使气缸达到理想的运行速度,*大工作压力1.0MPa.
二、1、适用于连接硬质尼龙管、塑料管。切断后去毛刺、插入接口内(一定要插到底)即可达到连接和密封的要求。
2、需拆卸气管时,用姆指将接头卡套压进,轻轻用力即可将气管拔出。
3、气管若反复多次拔出后,要剪去气管头部磨损部份,修平可继续使用。
4、安装后,仅需用手转动头体,即可调整接管方向。
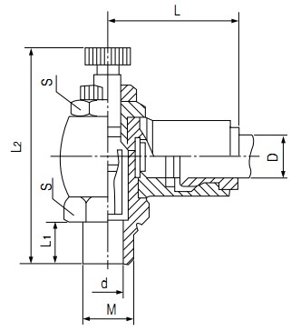
• 标记示例:调速管接头 公称通径 Ø6MM JST-Z6 M10×1
外形尺寸


Instudry Application

Company Profile

Established in 1956, Wuxi Huatong Pneumatic Manufacture Co., Ltd. is a strong and reliable partner for various industries. With our innovative R&D team, professional technical support team, and motivated sales team, we have been producing and delivering a large number of different valves, cylinders, air-filter components, and accessories to Germany, USA, Iran, Singapore, Russia Federation over 60 years. Huge investments in advanced technology of production and testing equipment, software and organization structure support us to offer top quality and good service. We are committed to be a leading provider and supporter to all our customers.
Huatong Pneumatic produces high-quality pneumatic and hydraulic cylinders as well as pneumatic valves, complete pneumatic systems, pneumatic / electrical stainless steel cabinets in all sizes and various custom-made accessories and spare parts according to our customer needs. We have satisfied customers for our custom-made pneumatics in China, USA, Germany, Italy, Holland, Australia and various other countries.

Certifications

FAQ
Q1: Are you a manufacturer or trading company?
A: We are an integrated industrial and trade enterprises. We have our own factory and marketing department.
Q2: How do you ensure your product and service quality?
A: Our processes strictly adhere to ISO 9001 procedures. Every product will be strictly tested before packing and shipping.
Q3: How can you customize cylinders?
A: Our engineer will design with your drawing or requirements, and send our drawing for you to check. Then, we will arrange production.
Q4: How can I make payment?
A: We accept T/T, L/C, Western Union.
Q5: What's your minimum order quantity?
A: All MOQS vary, depending on the products. Please feel free to check with us for specific items.
Q6: What about your delivery time?
A: It depends, but usually takes about 1-6 weeks.
Q7. What about shipping?
A: We suggest small batch by air/express and bulk by sea.
Q8. Do you have OEM/ODM service?
A:Yes. We OEM and ODM for some famous brand.
Q9. What's your policy if we want to distribute your products in local market?
A: Thanks for your interest and support. We would like to offer some Preferential policies, like discount in price, prepare stock and so on. Welcome to our factory and have a face-to-face talk.
Q10: What about your after-sales service?
A: We have a professional after-sales service team. Your feedback will be quickly responded and solved.

