
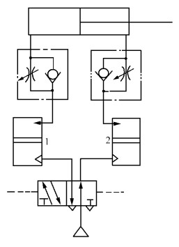
气液联动位置控制回路当要求定位精度较高时,可采用气液联动位置控制回路。图1 所示为采用并联式气—液阻尼缸的位置控制回路。在阻尼缸伸出和退回过程中,两个二位二通液压电磁阀可使阻尼缸停下来,一旦停止运动,三位阀即处于中位,气缸两腔室压力为大气压,操作更为方便。图1 气—液阻尼缸位置控制回路图2 所示为采用气液转换器控制活塞杆中停位置的回路,单向节流阀控制气缸退回速度。当二位二通电磁阀切断回程油路时,可迅速使活塞杆停止在行程任意位置上。图2 气—液转换器位置控制回路

三位阀位置控制回路如图所示为采用三位阀的位置控制回路。图a采用中间封闭型三位阀的回路,因空气的可压缩性,气缸的定位精度较差。这种回路及阀内不允许有任何泄漏。图b为采用中间加压型三位阀的回路。当阀处于中间位置时,由于双出杆气缸,使活塞两侧保持了力平衡,活塞即停留在行程的任意位置。图c为控制单杆气缸的回路,需要安装减压阀来获得活塞两侧力的平衡。中间加压型三位阀位置控制回路适用于缸径小而要求在行程中途很快停止的场合。图d为采用中间卸压型阀的回路。它适用于需外力自由推动活塞移动的场合,以及为了安全操作在停止位置时排出气缸腔室内空气的场合,其缺点是活塞运动的惯性较大,停止位置不易控制。图 采用三位阀的位置控制回路其中:(a)中间封闭型(b)中间加压型(双出杆气缸) (c)中间加压型(单出杆气缸)(d)中间卸压型阀

气液阻尼缸变速回路图1 为采用行程阀的气液阻尼缸变速回路。活塞杆向右快速运动时,当撞块压下机动行程阀后,液压缸右腔的油只能从节流阀通过,实现慢速运动。行程阀的位置可根据需要进行调整。高位油箱起补充泄漏油液的作用。图1 气液阻尼缸变速回路图2 气液阻尼缸变速回路在机械加工中,常遇到快进刀、慢进给、快退刀的工作要求。利用气动执行元件可以实现这一要求,采用带有结构变速的气液阻尼缸,如图2-a所示,但这种方法变速位置不能改变,不予推荐。图2 气液阻尼缸变速回路图2-b所示为机控阀变速回路,当气缸伸出运动,活塞杆上的撞块碰到机控阀后,机控阀换向,气缸开始慢进。通过改变机控阀的安装位置来改变开始变速的位置。这种变速回路原理可用于普通气缸及其它类型气缸的变速控制。特别是带开关气缸的普遍采用,这样用磁性开关实现气缸位置的行程发信,控制二位二通电磁阀的换向来改变气缸运动的速度。同样,速度控制阀有多种连接方式,因此变速回路也是多样的。

气液转换速度控制回路图1 所示为采用气—液转换器的速度控制回路。利用气液转换器1、2将气压变成液压,利用液压油驱动液压缸,从而得到平稳的运动速度。两个单向节流阀进行出口节流调速。在选用气液转换器时,要注意使其流量大于所对应的液压缸的油腔容积,并保持一定的余量。图1 气液转换速度控制回路图2 所示为利用液压阻尼缸实现速度控制的回路。阻尼缸与气缸的连接可以是串联,也可以是并联。图示为串联形式。回路中,通过调节单向节流阀的开度,实现气缸的无级调速。图2 气液阻尼缸的速度控制回路

缓冲回路图1是采用单向节流阀和行程阀配合的缓冲回路。当活塞前进到预定位置压下行程阀时,气缸排气腔的气流只能从节流阀通过,使活塞速度减慢,达到缓冲目的。此种回路常用于惯性力较大的气缸。图1 缓冲回路图2所示为两种缓冲回路。图a所示是用机控阀和流量控制阀配合使用的缓冲回路。当气缸伸出运动时,有杆腔空气经二位二通机控阀和二位五通阀排出。伸出运动到末端使机控阀换向,有杆腔空气经节流阀排出,实现气缸运动缓冲。改变机控阀的安装位置,可改变开始缓冲的时刻。图b所示的缓冲回路是利用顺序阀实现的。当气缸退回到行程末端时,无杆腔的压力已经下降到不能打开顺序阀,腔室内的剩余空气只能经节流阀排出,由此气缸运动得以缓冲。这种回路常用于气缸行程长、速度快的场合。图2 缓冲回路

快速往返回路下图为快速往返回路。在快速排气阀3和4的后面装有溢流阀2和5,当气缸通过排气阀排气时,溢流阀就成为背压阀了。这样,使气缸的排气腔有了一定的背压力,增加了运动的平稳性。图 快速往返回路

中间变速回路下图为中间变速回路。采用行程开关(安装在行程的中间位置)对两个二位二通电磁换向阀进行控制。气缸活塞的往复运动都是出口节流调速,当活塞杆在行程中碰到行程开关而使二位二通阀通电,则改变了排气的途径,从而使活塞改变了运动速度。两个二位二通阀,分别控制往复行程中的速度变换。当电磁铁通电、快速排气;电磁铁断电、慢速进给。图 中间变速回路

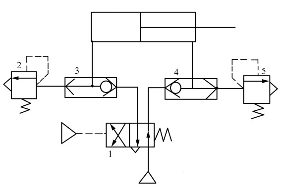
双作用气缸速度控制回路如图所示为双作用气缸的速度控制回路,图a所示采用单向节流阀实现排气节流的速度控制,一般采用带有旋转接头的单向节流阀直接拧在气缸的气口上,安装使用方便。图b所示在二位五通阀的排气口上安装了排气消声节流阀,调节节流阀开度实现气缸背压的排气控制,完成气缸往复速度的调节。图c所示在二位四通阀的排气口安装排气消声节流阀的速度控制,此时气缸伸出和退回的速度是相同的,不能分开调节。使用图b和图c所示的速度控制方法时应注意,换向阀的排气口必须有安装排气消声节流阀的螺纹口,否则不能选用。图 双作用气缸的速度控制回路

单作用气缸速度控制回路下图1所示为单作用气缸速度控制回路。图a可以进行双向速度调节,图b采用快速排气阀可实现快速返回,但是返回速度不能调节。图1 单作用气缸的其它速度控制回路下图2所示为单作用气缸的其它速度控制回路,图a、b所示为对活塞杆的伸出进行速度控制,图 c、d所示为对活塞杆的退回进行速度控制,图f所示利用两个单向节流阀控制气缸伸出和退回的速度。图e所示为用单向节流阀和快排阀实现气缸慢进快退速度控制。图2 单作用气缸的其它速度控制回路

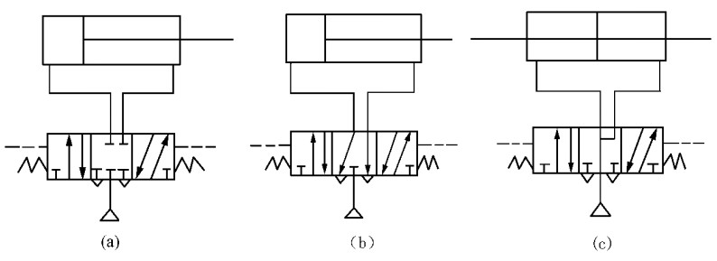
三位五通阀控制双作用气缸换向回路图a为采用中位封闭式三位五通阀(O型)的换向回路,它适用于活塞在行程中途停止的情况。但因气体的可压缩性,活塞停止的位置精度较差,且回路及阀内不允许有泄漏。图b为采用中位泄压式三位五通阀(Y型)的换向回路。此回路在活塞停止时,可用外力自由推动活塞移动(如可加手动装置)。其缺点为活塞惯性对停止位置的影响较大,不易控制。一般不能用于升降系统。图c为采用中位加压式三位五通阀(P型)控制双活塞杆气缸的换向回路。此回路适用于活塞面积小而要求活塞在行程中途很快停止的情况。其缺点为如果气缸是单活塞杆,则由于“差压”的作用,当系统一通气源,而没有控制信号时,气缸会缓慢伸出。同样,一般不能用于升降系统。
